
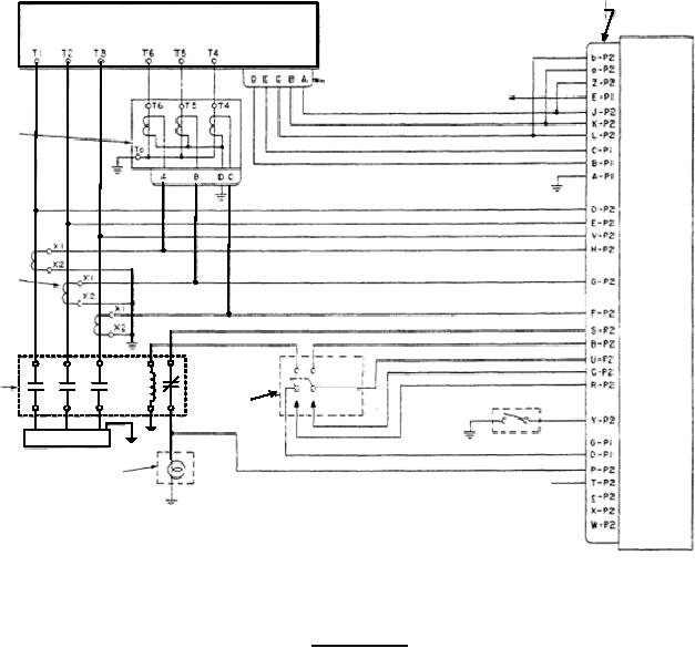
MIL-PRF-21480/12F(AS)
P1 = MS3122E-16-8P TO MATE WITH MS3126-16-8S
P2 = MS3122E-16-26P TO MATE WITH MS3126-16-26S
GENERATOR
M21480/12-1 OR M21480/12-2
MS3120E-16-11S TO MATE WITH
MS3126-18-11P
+28 VDC BACK-UP (IN)
GROUND END
CURRENT
TRANSFORMER
M21480/12-6
GENERATOR
CONTROL
UNIT
LOAD END
MS90313-4
CURRENT
TRANSFORMER
M21480/12-5
(3 REQUIRED)
NORM
OFF-
GENERATOR
CONTACTOR
CONTROL
RESET
UF DISARM SWITCH
SWITCH
TEST
LOAD
GENERATOR
WARNING
WARNING LIGHT BUS POWER
LIGHT
(28 VDC NOMINAL)
FIGURE 6. Test circuit.
5
For Parts Inquires call Parts Hangar, Inc (727) 493-0744
© Copyright 2015 Integrated Publishing, Inc.
A Service Disabled Veteran Owned Small Business