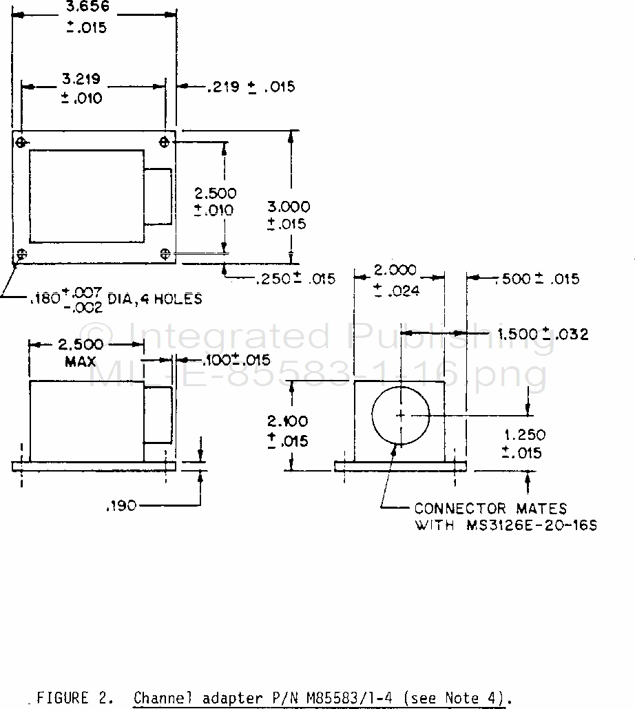
MIL-E-85583 Electric Power Generating Channel, Variable Input Speed, Alternating Current, 400 Hz, Aircraft, General SpecificationThis specification establishes the general requirements for three phase, four wire, 115/200 volt, 400 Hz ac (alternating current) variable input speed electric power generating channels, herein referred to as the General Package for use on aircraft.