emilspec
An Integrated Publishing, Inc. Site
eMilSpec
An Integrated Publishing Website
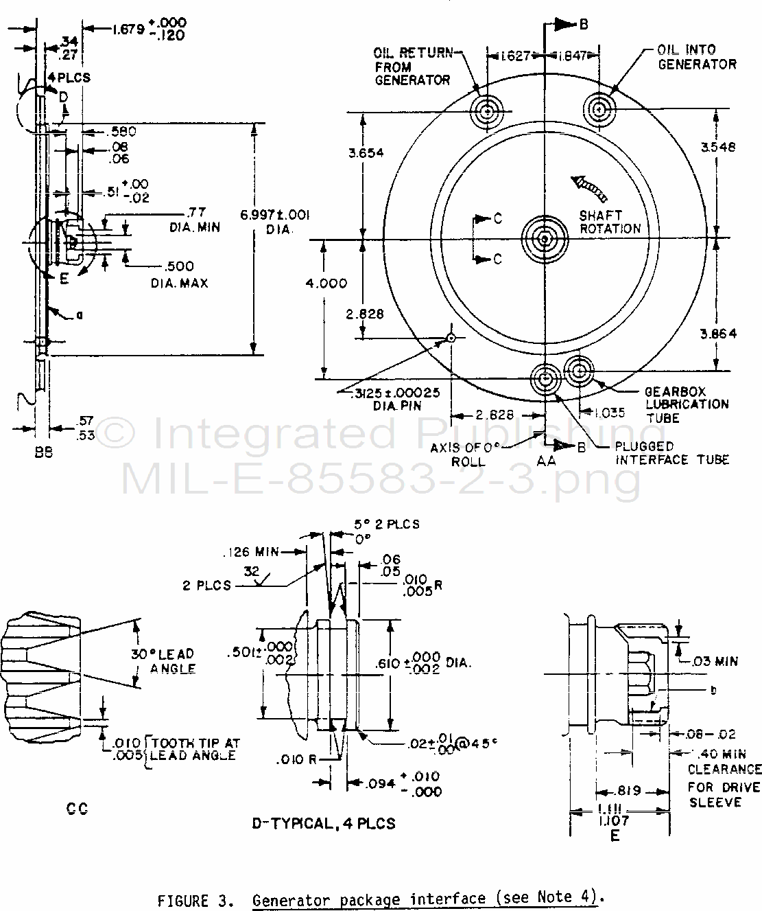
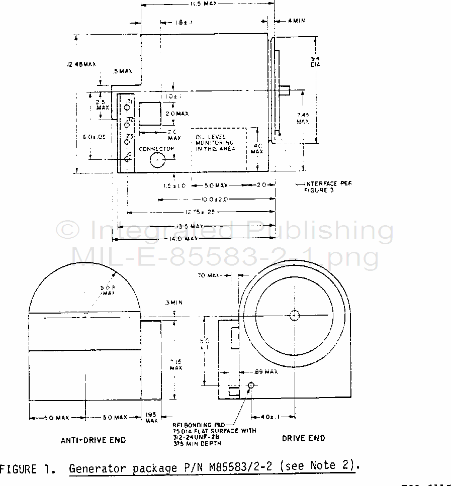
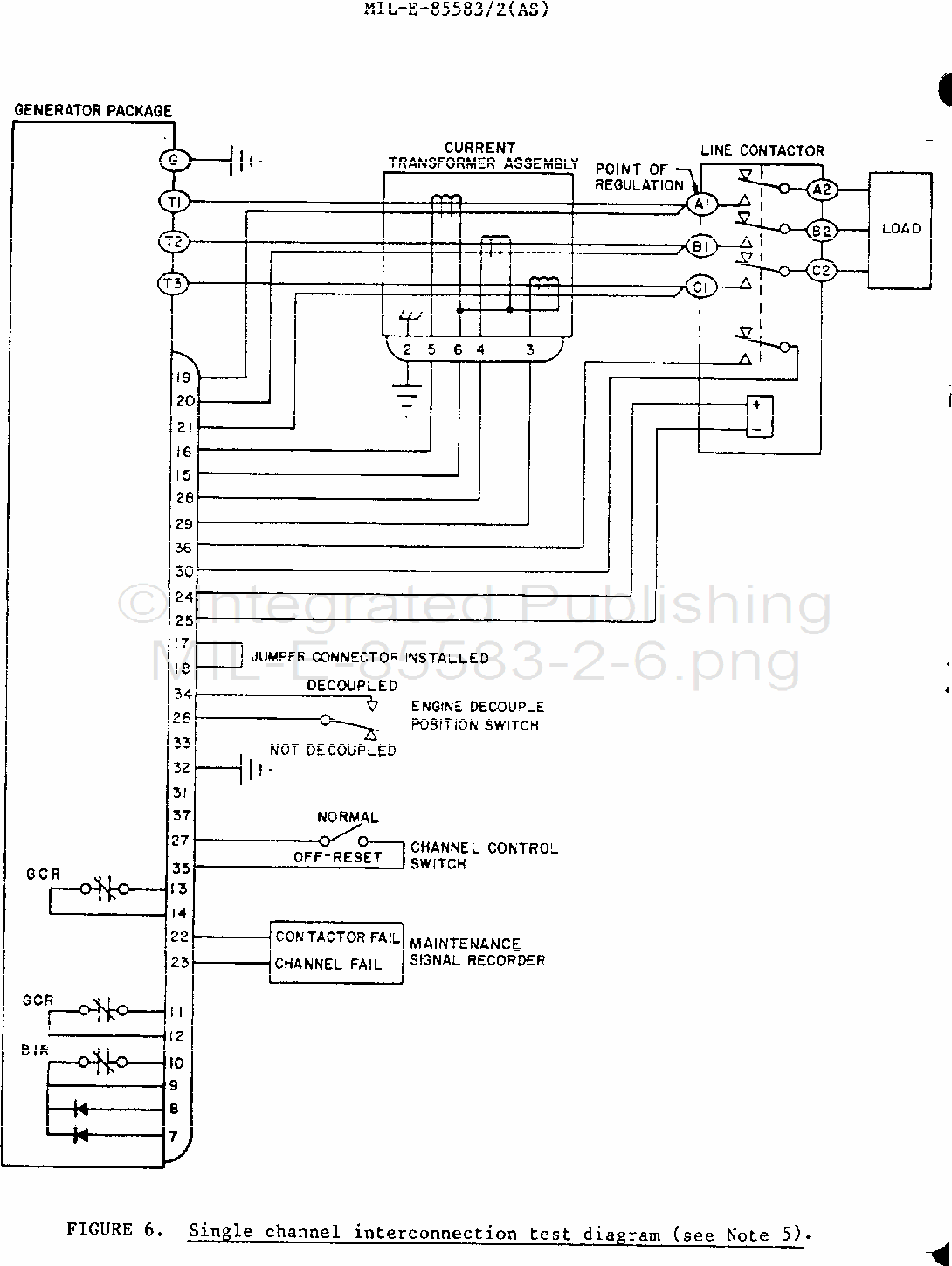
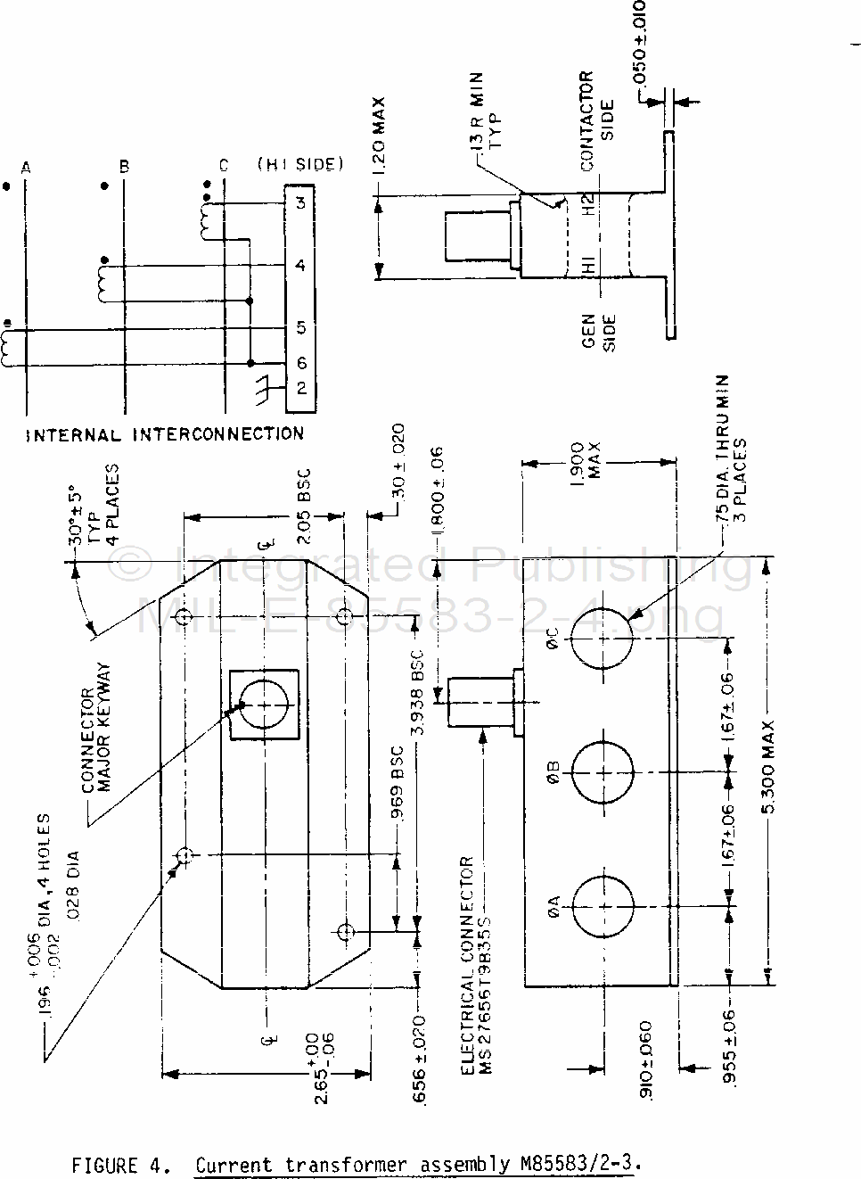
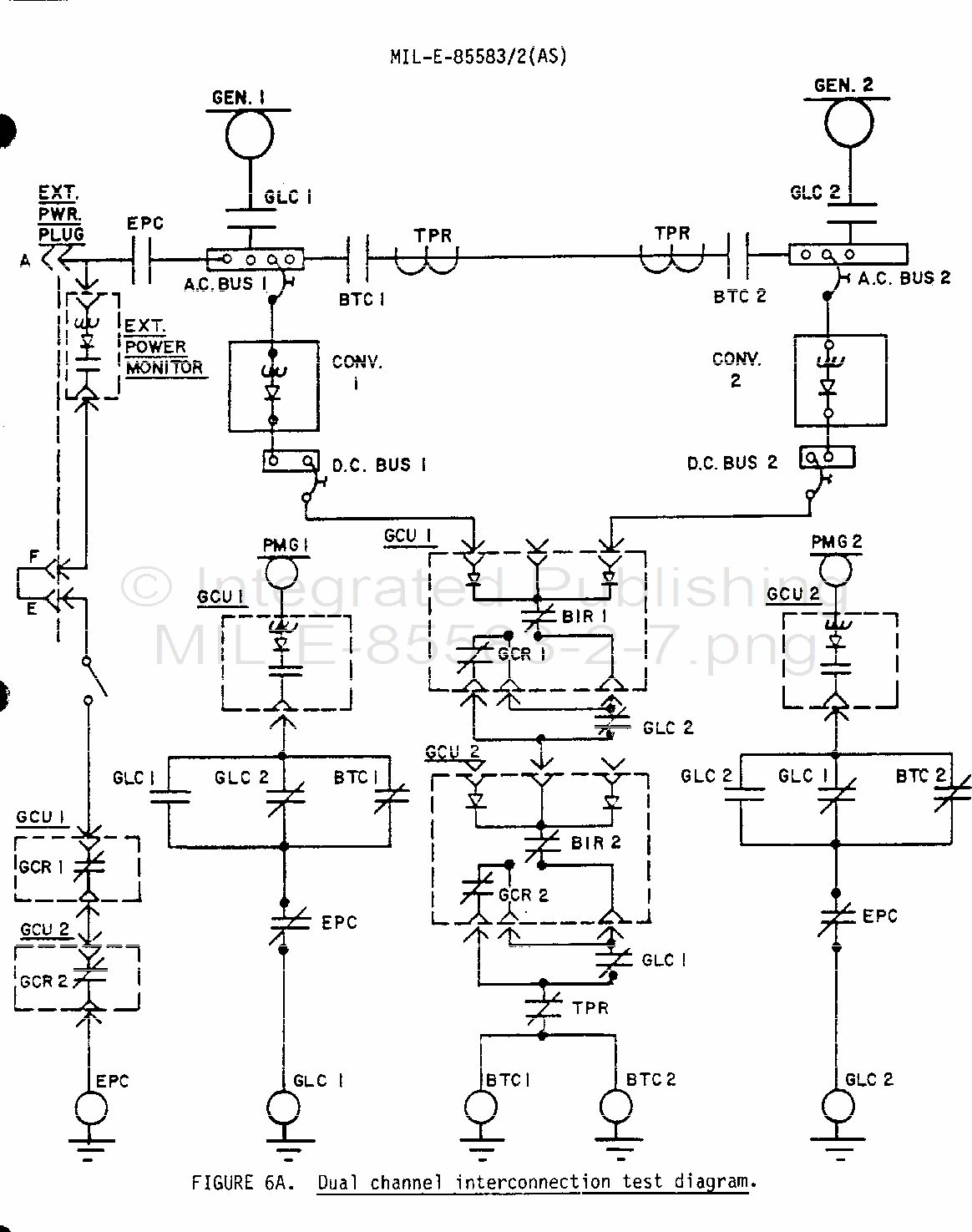
Electric Power Generating Channel, Variable Input Speed, 400 Hz, 40 Kva, Aircraft
For Parts Inquires call
Parts Hangar, Inc
(727) 493-0744
© Copyright 2015 Integrated Publishing, Inc.
A Service Disabled Veteran Owned Small Business